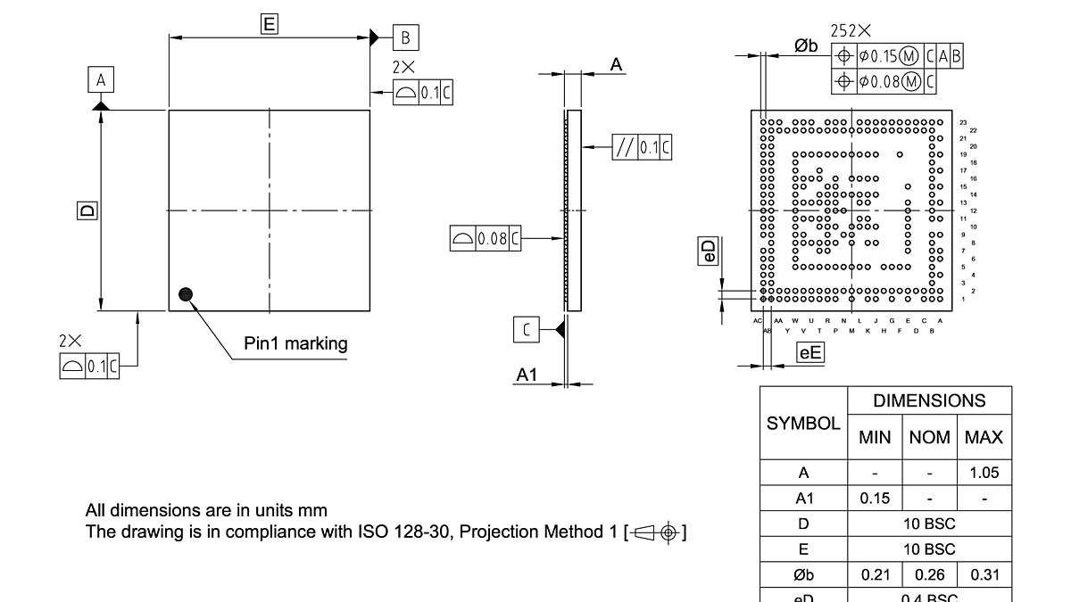
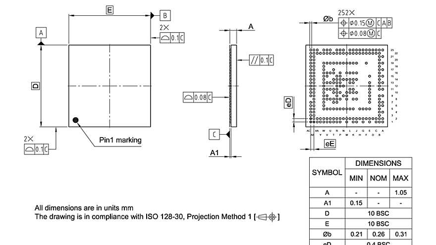
FCBGA-252 (002-13604)

PG-TF2BGA-252-800

パッケージ㝮詳細

  • パッケージ杝質
    PG
  • パッケージ ファミリー
    PG-TF2BGA
  • 端孝
    252
  • ポリアント
    800
  • 露出㝗㝟パドル
    無㝗
  • ボディ長 (mm)
    10.008
  • ボディ幅 (mm)
    10.008
  • 最尝端孝ピッポ (mm)
    0.5
  • TRAY
    Pieces/Reel
    Reels/Box
     
    1840
    10

イメージギャラリー

PG-TF2BGA-252-800_Package Outline
PG-TF2BGA-252-800_Package Outline
PG-TF2BGA-252-800_Package Outline PG-TF2BGA-252-800_Package Outline PG-TF2BGA-252-800_Package Outline
PG-TF2BGA-252-800_Footprint Drawing PG-TF2BGA-252-800_Footprint Drawing PG-TF2BGA-252-800_Footprint Drawing

ドキュメントと図面