- ASIC
- バッテリー マネージメントIC
- クロックとタイミングソリューション
- ESDおよびサージ保護デバイス
- Automotive Ethernet
- 評価ボード
- 高信頼性(HiRel)
- アイソレーター
- メモリ
- マイクロコントローラー
- パワー
- RF
- セキュリティ ソリューションおよびスマートカードソリューション
- センサー技術
- 小信号トランジスタおよびダイオード
- トランシーバー
- ユニバーサル シリアル バス(USB)
- ワイヤレス接続
- Search Tools
- Technology
- Packages
- Product Information
- Where to Buy
- 概要
- Automotive Ethernet Bridges
- Automotive Ethernet PHY for in-vehicle networking
- Automotive Ethernet Switches for in-vehicle networking
- 概要
- 組込みフラッシュIPソリューション
- フラッシュプラスRAM MCPソリューション
- F-RAM (強誘電体RAM)
- NORフラッシュ
- nvSRAM (不揮発性 SRAM)
- PSRAM (擬似スタティック RAM)
- 耐放射線・高信頼性メモリ
- RRAM抵抗RAM
- SRAM (スタティック RAM)
- ウェーハおよびダイメモリソリューション
- 概要
- 32ビットFM Arm® Cortex® マイクロコントローラー
- 32ビットAURIX™ TriCore™マイクロコントローラー
- 32ビットPSOC™ Arm® Cortex® マイクロコントローラー
- 32ビット TRAVEO™ T2G Arm® Cortex® マイクロコントローラー
- 32ビットXMC™産業用マイクロコントローラー Arm® Cortex®-M
- レガシー マイクロコントローラー
- MOTIX™マイクロコントローラー |Arm® Cortex®-Mベースの32ビット モーターコントロールSoC
- センシングコントローラー
- 概要
- AC-DC電力変換
- 従来型の車載パワートレインIC
- クラスD オーディオアンプIC
- 非接触パワー&センシングIC
- DC/DCコンバーター
- ダイオードとサイリスタ (Si/SiC)
- 窒化ガリウム(GaN)
- ゲートドライバIC
- IGBT – 絶縁ゲート型バイポーラトランジスタ
- インテリジェント パワーモジュール (IPM)
- LEDドライバIC
- モーター制御IC
- パワーMOSFET
- Power modules
- 電源IC
- 保護および監視IC
- Silicon carbide (SiC)
- スマート パワー スイッチ
- ソリッドステートリレー (SSR)
- ワイヤレス充電IC
- 概要
- アンテナクロススイッチ
- アンテナチューナー
- バイアスと制御
- カプラ
- ドライバアンプ
- 高信頼性ディスクリート
- ローノイズアンプ (LNA)
- 高周波ダイオード
- RFスイッチ
- RFトランジスタ
- ワイヤレス制御向けレシーバー
- 概要
- Calypso®製品
- CIPURSE™ 製品
- 非接触メモリ
- OPTIGA™の組込みセキュリティ ソリューションの詳細
- SECORA™セキュリティソリューション
- セキュリ ティコントローラー
- スマートカードモジュール
- 政府ID向けスマートソリューション
- 概要
- USB 2.0 ペリフェラル コントローラー
- USB 3.2 ペリフェラル コントローラー
- USB ハブ コントローラー
- USB PD高電圧マイクロコントローラー
- USB-C AC-DC および DC-DC 充電ソリューション
- USB-C充電ポートコントローラー
- USB-Cパワーデリバリー コントローラー
- 概要
- AIROC™ オートモーティブワイヤレス
- AIROC™ Bluetooth®およびマルチプロトコル
- AIROC™ コネクトテッドMCU
- AIROC™ Wi-Fi + Bluetooth®コンボ
- 概要
- FM0+ 32ビット Arm® Cortex®-M0+ マイクロコントローラー (MCU)
-
FM3 32ビットArm® Cortex-M3®マイクロコントローラー (MCU) ファミリー
- 概要
- FM3 CY9AFx1xKシリーズ Arm® Cortex®-M3マイクロコントローラー (MCU)
- FM3 CY9AFx1xL/M/N シリーズ Arm® Cortex®-M3マイクロコントローラー (MCU)
- FM3 CY9AFx2xK/L シリーズ Arm® Cortex®-M3マイクロコントローラー (MCU)
- FM3 CY9AFx3xK/L シリーズ 超低リーク Arm® Cortex®-M3マイクロコントローラー (MCU)
- FM3 CY9AFx4xL/M/N シリーズ 低消費電力 Arm® Cortex®-M3マイクロコントローラー (MCU)
- FM3 CY9AFx5xM/N/Rシリーズ 低消費電力 Arm® Cortex®-M3マイクロコントローラー (MCU)
- FM3 CY9AFxAxL/M/N シリーズ 超低リーク Arm® Cortex®-M3 マイクロコントローラー (MCU)
- FM3 CY9BFx1xN/R 高性能シリーズ Arm® Cortex®-M3マイクロコントローラー (MCU)
- FM3 CY9BFx1xS/T 高性能シリーズ Arm® Cortex®-M3マイクロコントローラー (MCU)
- FM3 CY9BFx2xJシリーズ Arm® Cortex®-M3マイクロコントローラー (MCU)
- FM3 CY9BFx2xK/L/Mシリーズ Arm® Cortex®-M3マイクロコントローラー (MCU)
- FM3 CY9BFx2xS/Tシリーズ Arm® Cortex®-M3マイクロコントローラー (MCU)
- FM4 32ビットArm® Cortex-M4®マイクロコントローラー (MCU) ファミリー
- 概要
-
32 ビット TriCore™ AURIX™ – TC2xx
- 概要
- AURIX™ ファミリー – TC21xL
- AURIX™ファミリー – TC21xSC (ワイヤレス充電)
- AURIX™ ファミリー – TC22xL
- AURIX™ ファミリー – TC23xL
- AURIX™ ファミリー – TC23xLA (ADAS)
- AURIX™ ファミリー – TC23xLX
- AURIX™ ファミリー – TC264DA (ADAS)
- AURIX™ ファミリー – TC26xD
- AURIX™ ファミリー – TC27xT
- AURIX™ ファミリー – TC297TA (ADAS)
- AURIX™ ファミリー – TC29xT
- AURIX™ファミリー – TC29xTT (ADAS)
- AURIX™ ファミリー – TC29xTX
- AURIX™ TC2xx (エミュレーションデバイス)
-
32 ビット TriCore™ AURIX™ – TC3xx
- 概要
- AURIX™ ファミリー TC32xLP
- AURIX™ ファミリー – TC33xDA
- AURIX™ ファミリー - TC33xLP
- AURIX™ ファミリー – TC35xTA (ADAS)
- AURIX™ ファミリー – TC36xDP
- AURIX™ ファミリー – TC37xTP
- AURIX™ ファミリー – TC37xTX
- AURIX™ ファミリー – TC38xQP
- AURIX™ ファミリー – TC39xXA (ADAS)
- AURIX™ ファミリー – TC39xXX
- AURIX™ ファミリー – TC3Ex
- AURIX™ TC37xTE (エミュレーションデバイス)
- AURIX™ TC39xXE (エミュレーションデバイス)
- 32 ビット TriCore™ AURIX™ - TC4x
- 概要
- PSOC™ 4 Arm® Cortex®-M0/M0+
- PSOC™ 4 HV Arm® Cortex®-M0+
- PSOC™ 5 LP Arm® Cortex®-M3
- PSOC™ 6 Arm® Cortex®-M4 / M0+
- PSOC™ Multitouch Arm® Cortex®-M0
- 32-bit PSOC™ Control Arm® Cortex®-M33 MCU
- PSOC™ Fingerprint Arm® Cortex®-M0+
- PSOC™ Automotive 4: Arm® Cortex®-M0/M0+
- PSOC™ Edge Arm® Cortex® M55/M33
- 概要
- ボディ用32ビットTRAVEO™T2G Arm® Cortex®
- クラスター用の 32 ビット TRAVEO™ T2G Arm® Cortex®
- 概要
- 32ビットXMC1000産業用マイクロコントローラー Arm® Cortex®-M0
- Cortex-M4® Arm® 32ビットXMC4000産業用マイクロコントローラー
- XMC5000 Industrial Microcontroller Arm® Cortex®-M4F
- 32ビットXMC7000産業用マイクロコントローラー Arm® Cortex®-M7®
- 概要
- 整流ブリッジおよびACスイッチ
- CoolSiC™ ショットキーダイオード
- ダイオードベアダイ
- Si ダイオード
- サイリスタ/ダイオード パワーモジュール
- サイリスタソフトスタータモジュール
- サイリスタ / ダイオードディスク
- 概要
- 32-bit PSOC™ Control Arm® Cortex®-M33 MCU
- iMOTION™統合モーター制御ソリューション
- MOTIX™ MCU | Arm® Cortex®-Mベースの32ビット モーターコントロールSoC
- BLDCモーター用MOTIX™モーターゲートドライバIC
- ブラシ付きDCモーター用MOTIX™モーター制御IC
- サーボモーターおよびステッピングモーター用のMOTIX™マルチハーフブリッジIC
- 概要
- 車載用MOSFET
- デュアルMOSFET
- MOSFET(Si&SiC)モジュール
- NチャネルデプレッションモードMOSFET
- NチャネルパワーMOSFET
- PチャネルパワーMOSFET
- CoolSiC™ MOSFET
- 小信号/小電力MOSFET
- 概要
- 車載用トランシーバー
- OPTIREG™リニア電圧レギュレーター (LDO)
- OPTIREG™ PMIC
- OPTIREG™ スイッチャー(車載用)
- OPTIREG™ システム ベーシス チップ (SBC)
- 概要
- EZ-USB™ CX3 MIPI CSI-2 to USB 5 Gbps カメラ コントローラー
- EZ-USB™ FX10 & FX5N USB 10Gbpsペリフェラルコントローラ
- EZ-USB™ FX20 USB 20 Gbpsペリフェラルコントローラー
- EZ-USB™ FX3 USB 5 Gbps ペリフェラル コントローラー
- EZ-USB™ FX3S USB 5 Gbps ペリフェラル コントローラー (ストレージ インターフェース付き)
- EZ-USB™ FX5 USB 5 Gbpsペリフェラルコントローラー
- EZ-USB™ SD3 USB 5 Gbps ストレージコントローラー
- EZ-USB™ SX3: FIFOインターフェースの USB 5 Gbps ペリフェラル コントローラー
- 概要
- EZ-PD™ CCG3 USB Type-Cポート コントローラーPD
- EZ-PD™ CCG3PA USB-C および PD
- EZ-PD™ CCG3PA-NFET USB-C PD コントローラー
- EZ-PD™ CCG7x シングルポート USB-Cパワーデリバリーおよび DC-DC コントローラー
- EZ-PD™ PAG1: 第 1 世代電源アダプター
- EZ-PD™ PAG2: 第 2 世代電源アダプター
- EZ-PD™ PAG2-PD USB-C PD コントローラー
- 概要
- EZ-PD™ ACG1F 1ポートUSB-Cコントローラー
- EZ-PD™ CCG2 USB Type-Cポート コントローラー
- EZ-PD™ CCG3PA車載用USB-Cおよびパワーデリバリーコントローラー
- EZ-PD™ CCG4 2 ポートUSB-CおよびPD
- EZ-PD™ CCG5デュアルポートおよび CCG5C シングルポート USB-C PDコントローラー
- EZ-PD™ CCG6 1ポート USB-C & PDコントローラー
- EZ-PD™ CCG6_CFP および EZ-PD™ CCG8_CFPデュアルシングルポート USB-C PD
- EZ-PD™ CCG6DFデュアルポートおよびCCG6SFシングルポートUSB-C PDコントローラー
- EZ-PD™ CCG7D車載用デュアルポートUSB-C PD + DC-DCコントローラー
- DC-DCコントローラーを搭載した、EZ-PD™ CCG7S車載用シングルポートUSB-C PDソリューション
- EZ-PD™ CCG7SAF車載用シングルポートUSB-C PD + DC-DCコントローラー + FET
- EZ-PD™ CCG8デュアル シングル ポートUSB-C PD
- EZ-PD™ CMG1 USB-C EMCAコントローラー
- 拡張パワーレンジ (EPR) 搭載EZ-PD™ CMG2 USB-C EMCA
- 最新情報
- 航空宇宙および防衛
- 自動車
- 民生用電子機器
- ヘルスケアとライフスタイル
- 家電製品
- 産業用アプリケーション
- 情報通信技術
- 再生可能エネルギー
- ロボティックス
- セキュリティソリューション
- スマートホームとスマートビルディング
- ソリューション
- 概要
- アダプターおよび充電器
- スマートテレビ向けの完全なシステムソリューション
- モバイルデバイスとスマートフォンソリューション
- マルチコプターとドローン
- 電動工具
- ホームエンターテインメント アプリケーション向けの半導体ソリューション
- スマート会議システム
- 概要
- アダプターおよび充電器
- 資産管理の追跡
- バッテリーの形成とテスト
- Electric forklifts
- Battery energy storage (BESS)
- EV充電
- 高電圧ソリッドステート配電
- 産業用オートメーション
- 産業用モータードライブおよび制御
- インダストリー4.0向けの産業用ロボットシステムソリューション
- LED 照明システムの設計
- 小型電気自動車ソリューション
- 電動工具
- 送配電
- トラクション
- 無停電電源装置 (UPS)
- 概要
- デバイス認証とブランド保護
- モノのインターネット (IoT) 向けの組み込みセキュリティ
- eSIM アプリケーション
- 公的身分証明書
- モバイルセキュリティ
- 決済ソリューション
- アクセス管理および発券ソリューション
- 概要
- 家庭用ロボット
- 空調システム (HVAC)
- ホームオートメーションとビルオートメーション
- PCアクセサリ
- ホームエンターテインメント アプリケーション向けの半導体ソリューション
- 概要
- 車載用補助システム
- 車載ゲートウェイ
- 車載用パワー分配システム
- ボディコントロールモジュール(BCM)
- コンフォート&コンビニエンス エレクトロニクス
- ゾーンDC-DCコンバーター 48 V~12 V
- ゾーンコントロールユニット
- 概要
- アクティブサスペンションコントロール
- エアバッグシステム
- 車載用ブレーキング ソリューション
- 車載用ステアリング ソリューション
- シャーシ ドメイン制御
- リバーシブル シートベルト プリテンショナー
- 最新情報
- デジタル ドキュメンテーション
- 評価ボード
- ファインダー & セレクション ツール
- プラットフォーム
- サービス
- インフィニオン オンライン パワー シミュレーション プラットフォーム
- ソフトウェア
- ツール
- パートナー
- インフィニオン フォー メーカーズ
- ユニバーシティ アライアンス プログラム
- 概要
- AIROC™ ソフトウェアとツール
- AURIX™のツールとソフトウェア
- 自動車ソフトウェア開発用のDrive Core
- iMOTION™ ツールとソフトウェア
- インフィニオンのスマートパワースイッチおよびゲートドライバ ツールスイート
- MOTIX™ ソフトウェア&ツール
- OPTIGA™ ツールとソフトウェア
- PSOC™ ソフトウェアとツール
- TRAVEO™ ソフトウェアとツール
- XENSIV™ツールおよびソフトウェア
- XMC™ ツールとソフトウェア
- 概要
- AURIX™認証
- AURIX™開発ツール
- AURIX™組込みソフトウェア
- AURIX™マイクロコントローラーキット
- 概要
- OPTIGA™ TPMを使ってみる
- OPTIGA™開発ツール
- OPTIGA™組込みソフトウェア
- OPTIGA™ Trust証明書
- 概要
- DEEPCRAFT™ AI Hub
- DEEPCRAFT™ Audio Enhancement
- DEEPCRAFT™モデルコンバーター
-
DEEPCRAFT™レディモデル
- 概要
- DEEPCRAFT™ Ready Model for Baby Cry Detection
- DEEPCRAFT™ Ready Model for Cough Detection
- DEEPCRAFT™ Ready Model for Direction of Arrival (Sound)
- DEEPCRAFT™ Ready Model for Factory Alarm Detection
- DEEPCRAFT™ Ready Model for Fall Detection
- DEEPCRAFT™ Ready Model for Gesture Classification
- DEEPCRAFT™ Ready Model for Siren Detection
- DEEPCRAFT™ Ready Model for Snore Detection
- DEEPCRAFT™ Studio
- DEEPCRAFT™ Voice Assistant
- 概要
- CAPSENSE™コントローラー コンフィギュレーション ツール EZ-Click
- DC-DC統合POL電圧レギュレーター設定ツール – PowIRCenter
- EZ-USB™ SX3コンフィギュレーション ユーティリティ
- FM+ コンフィギュレーション ツール
- FMx設定ツール
- トランシーバーICコンフィギュレーション ツール
- USB EZ-PD™コンフィギュレーション ユーティリティ
- USB EZ-PD™コンフィギュレーション ユーティリティ
- USB EZ-USB™ HX3C Blaster Plusコンフィギュレーション ユーティリティ
- USB UARTコンフィギュレーション ユーティリティ
- XENSIV™タイヤ空気圧センサーのプログラミング
- 概要
- EZ-PD™ CCGx Dock ソフトウェア開発キット
- FMx Softune IDE
- ModusToolbox™ ソフトウェア
- PSOC™ ソフトウェア
- レーダー開発キット
- 錆
- USBコントローラーSDK
- ワイヤレス接続 Bluetooth メッシュヘルパー アプリケーション
- XMC™ DAVE™ Software
- 概要
- AIROC™ Bluetooth® Connect Appアーカイブ
- Cypress™ Programmerのアーカイブ
- EZ-PD™ CCGx 電力ソフトウェア開発キットのアーカイブ
- ModusToolbox™ ソフトウェアのアーカイブ
- PSOC™ Creatorのアーカイブ
- PSOC™ Designerのアーカイブ
- PSOC™ Programmerのアーカイブ
- USB EZ-PD™コンフィギュレーション ユーティリティ アーカイブ
- USB EZ-PD™ホストSDKのアーカイブ
- USB EZ-USB™ FX3のアーカイブ
- EZ-USB™ HX3PD コンフィギュレーション ユーティリティ
- WICED™ Smart SDKのアーカイブ
- WICED™ Studioのアーカイブ
- 最新情報
- サポート
- トレーニング
- 開発者コミュニティ
- News
ビジネス&財務プレス
06/11/2025
ビジネス&財務プレス
16/10/2025
ビジネス&財務プレス
16/10/2025
ビジネス&財務プレス
25/09/2025
- 会社概要
- 私たちのストーリー
- イベント
- プレス
- 投資家向け情報
- 採用情報
- 品質
- 最新ニュース
ビジネス&財務プレス
06/11/2025
ビジネス&財務プレス
16/10/2025
ビジネス&財務プレス
16/10/2025
ビジネス&財務プレス
25/09/2025
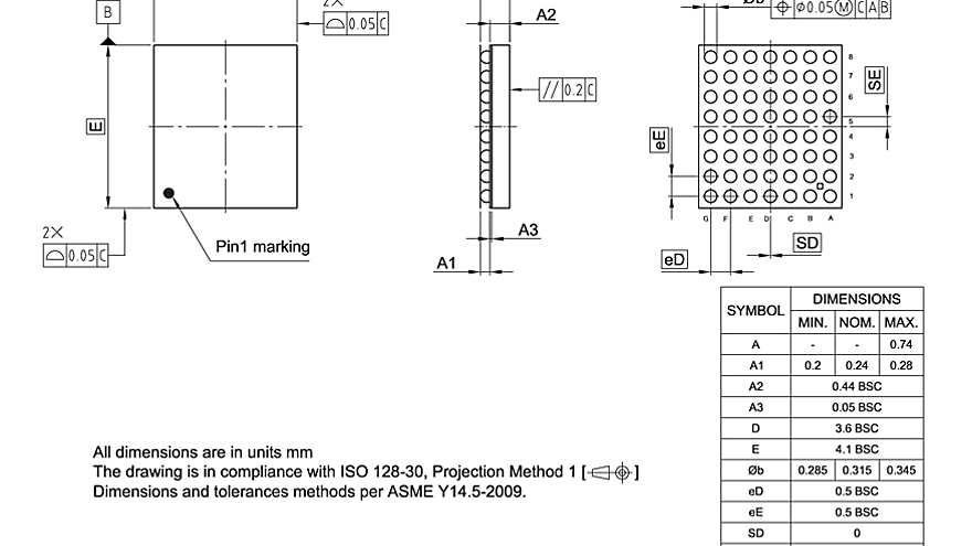
SG-WFWLB-56-800
パッケージの詳細
-
パッケージ材質SG
-
パッケージ ファミリーSG-WFWLB
-
端子56
-
バリアント800
-
露出したパドル無し
-
ボディ長 (mm)3.6
-
ボディ幅 (mm)4.1
-
最小端子ピッチ (mm)0.5
-
TAPE & REELPieces/ReelReels/Box30001
イメージギャラリー