Background for document preview
Background for thumbnail

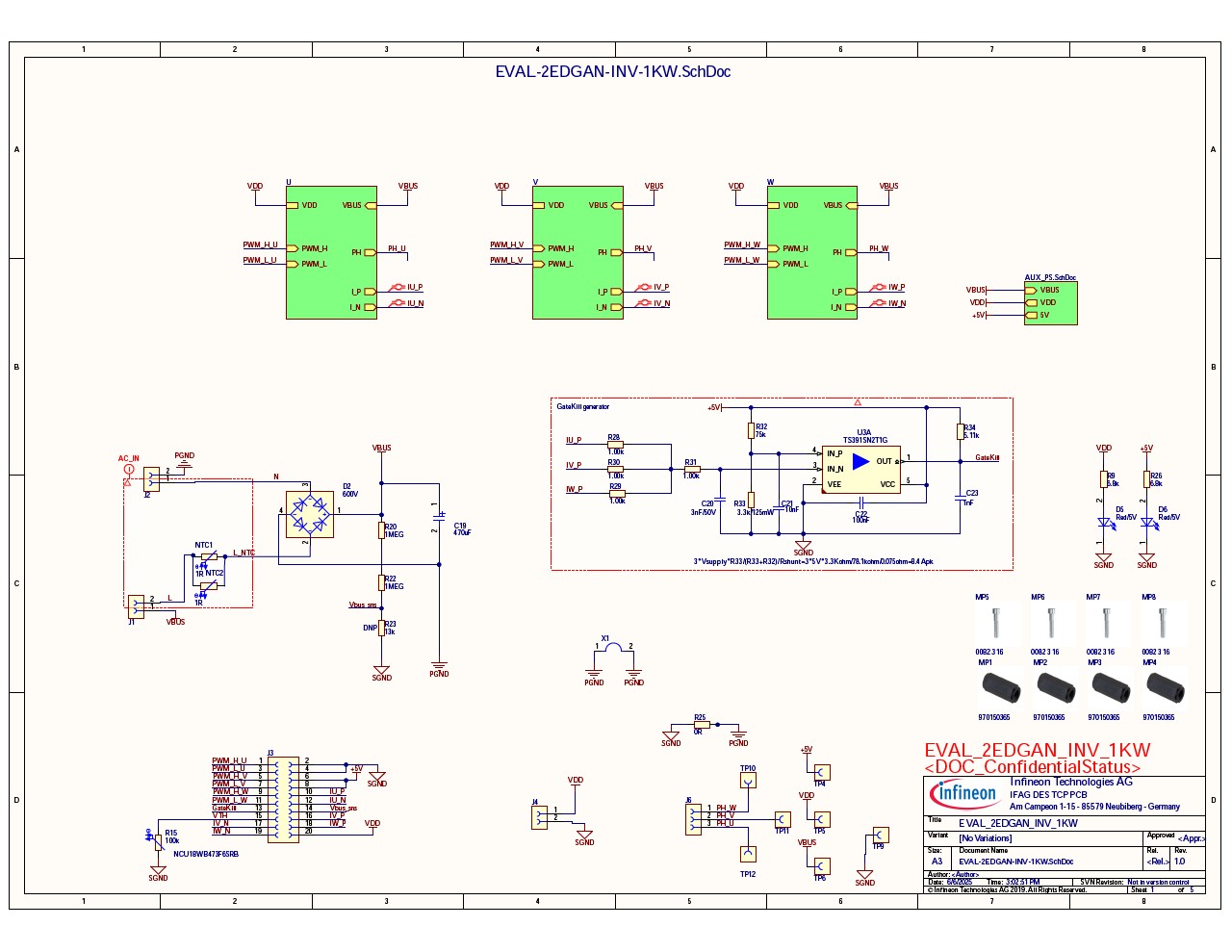
EVAL-2EDGAN-INV-1KW - Schematics

3.09 MB
Jun 06, 2025